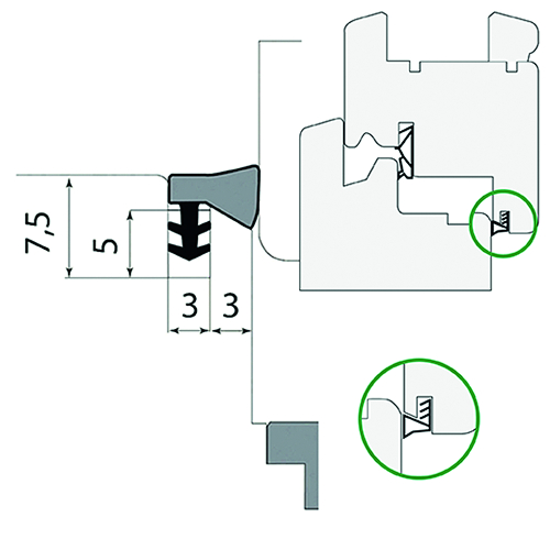
- Opdekdichting uit TSP-schuim materiaal biedt een hoge geluidsisolatie en sluitcomfort.
- De voet, met aan beide zijden 2 lippen, biedt een optimale vastzetting in de groef en een makkelijke montage.
- Luchtdoorlaatbaarheid Klasse 4
- Slagregendicht Klasse 7A
- Classificatie (EN 123651): W24556
- afwerking:
- zwart
- groef:
- 3
- hoogte:
- 6
- Artikelen kunnen binnen 14 dagen na aanschaf worden geretourneerd.
- Bij retourzendingen moet een geldige kwitantie worden gevoegd.
Beschikbare verzendmethoden: