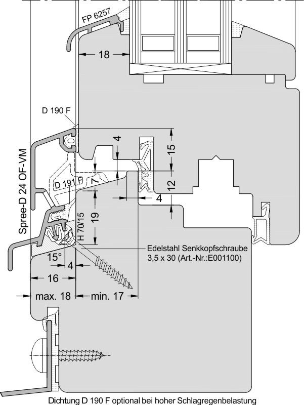
Regenschiene Spree-D 24 OF VM Ral 9016 VE60

2172764340
985457
Ihr Preis: Ihr Preis:  93,06 €
Ihre Eingabe wird an die mögliche Sprungmenge von 6 angepasst. Geben Sie 6 oder mehr ein. Der maximale Eingabewert von 100.000 wurde überschritten! Bitte korrigieren Sie Ihre Eingabe.
M
60 Meter
Regenschiene Spree-D 24 OF VM Ral 9016 VE60
Vorgänger Artikel:

Herstellerinformation: Gutmann AG, Nürnberger Str. 57,DE 91781, Weißenburg, Email: info@gutmann.de
Anschlaghöhe:
28,8 mm


Anschlagtiefe:
16 mm


Ausladung:
24 mm


EANCode:
4021036699569


Farbe Hersteller:
RAL9016 weiß


Thermische Trennung:
-
  • Waren können innerhalb von 14 Tagen ab Kaufdatum zurückgegeben werden.
  • Für Rücksendungen muss eine gültige Quittung vorgelegt werden.
Verfügbare Versandarten:

Zuletzt angesehen

Alle anzeigen